关于睿腾 联系我们 您好!欢迎访问上海睿腾轴承有限公司!
品质留给时间来证明多年专注进口轴承销售与应用
全国咨询热线:021-59569196
您的位置:型号查询 > NSK轴承

全国服务热线

021-59569196

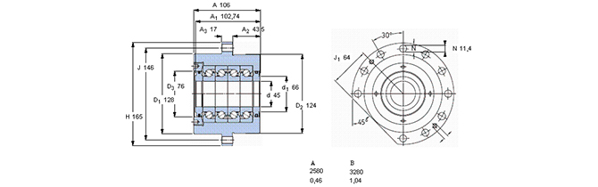
55TAC100CDDG

内径55mm
外径100mm
厚度20mm
在线咨询 全国热线
021-59569196
产品简介 / PRODUCT INTRODUCTION
  •  
  • 轴承型号
  • 型号
    55TAC100CDDG
  • 内径-(mm)
  • d
    55
  • 外径-(mm)
  • D
    100
  • 厚度-(mm)
  • B
    20
  • 动负荷-(kN)
  • cr
  • 静负荷-(kN)
  • cor
  • 疲劳载荷极限-(kN)
  • 疲劳载荷极限
  • 参考转速-(r/min)
  • 参考转速
    3000
  • 极限转速-(r/min)
  • 极限转速
我公司销售NSK 55TAC100CDDG ,能为客户提供样本图纸,NSK轴承通过(运行与控制)之技术,为建设一个舒适而安全的社会尽心尽力。CHALLENGERS 还将可以接入国际互连网,向世界各地的NSK 经销商开放市场情报。NSK的全球电子物流系统将与时代同步进入网络新纪元。对于需要此轴承内外圈、内外径、厚度结构、重量、价格等资料请联系销售人员!

热品推荐